Download document () of 20
Eaton: Two hand control, Zweihandschaltung

The functional safety of a machine requires appropriate safety-related control parts or safety-related control functions. In this regard, the two-hand control plays an important role in safe machine operation. This blog will describe the two-hand control, explain its working principle and the standards to be considered. The circuit diagram for the two-hand control and the resulting Performance Level (PL) or Safety Integrity Level (SIL) is explained using an example.

Get our functional safety manual

What is a two-hand control?

There are various hazards associated with operating machinery. Two-hand control or two-hand operation protects the machine operator from physical injuries, such as being crushed or pulled into the machine, by ensuring both hands remain outside the hazardous area as long as a danger exists. It is typically used for applications in which the following can occur:

  • dangerous machine movements in the area accessed by the operator.
  • there is a high risk of injuries during manual loading for stamping, cutting and punching.
  • the time during which the machine is idle is less than the access time.
icon_Linkedin_colored_256x256.png

Follow #EatonMachine on LinkedIn

Get every important blog post or new information Eaton publishes for machine and system builders. 

As the two-hand control is a safety function within the context of the functional safety of a machine, its performance must be defined and verified as a PL or SIL in accordance with the risk assessment.

There are three types of two-hand controls (Type I, II and III A to C). Depending on the type of hazard, risk assessment result, current technology and operating conditions, different types of two-hand controls come into use. The control categories defined in DIN EN ISO 13849-1 should be considered.

The classification of the types and categories is shown in the table. The type most commonly used in practice is type III, which is accompanied by synchronous actuation within 0.5 s, as well as the requirement that both actuators must be released before being triggered again.

The classification of the types and categories is shown in the table. The type most commonly used in practice is type III, which is accompanied by synchronous actuation within 0.5 s, as well as the requirement that both actuators must be released before being triggered again. 
Table_MOEM_Two_Hand_Control_en.jpg

Which standards must be considered?

The central standard for two-hand controls is EN ISO 13851, which replaced EN 574 in 2019. It specifies the function, placement, design and measures to prevent accidental actuation and intentional bypassing.

Determination of the safe distance between the two-hand control and the hazardous location is one of the requirements of the standard. This distance is calculated based on the formula defined in EN ISO 13855.

In addition, EN ISO 12100 standard must be followed for risk assessment and risk reduction. It provides information regarding the requirements for manual controls and criteria for selection.

International standards EN ISO 13849-1/-2 and IEC 62061 describe the safety-related functions and their implementation in detail. One uses Performance Level (PL) to describe the safety-related performance, and the other uses Safety Integrity Level (SIL). Both parameters can also be “converted”.

With regard to low-voltage switching devices, IEC 60947-4-1 (contactors and motor starters; electromechanical contactors and motor starters) and IEC 60947-5-1 (controlgear and switching elements – electromechanical controlgear) come into play as product standards.

Basic safety requirements can also be found in the machinery directive 2006/42/EG.

How is a two-hand type III C control designed?

In principle, a two-hand control is designed using reliable components, keeping in mind well-established safety principles in accordance with EN ISO 13849-1 and EN ISO 13849-2.

Features

If the application requires a type III C circuit, the control circuit device, supply line and command processing must have a redundant design and self-monitoring functionality. The operator must actuate both control elements at the most within 0.5 s for triggering. Once this time period has elapsed, the start-up requires release of the control devices. If the operator releases even one of the two control elements during the hazardous movement, the safety relay must react immediately to ensure an uncontrolled shutdown of STOP category 0 in accordance with IEC 60204-1. Isolated faults, such as wire breakage, bridging and cross-circuit in the control circuit device, supply line and safety relay must be reliably detected either immediately or with the subsequent actuation command. It is also necessary to monitor the redundant safety contactors.

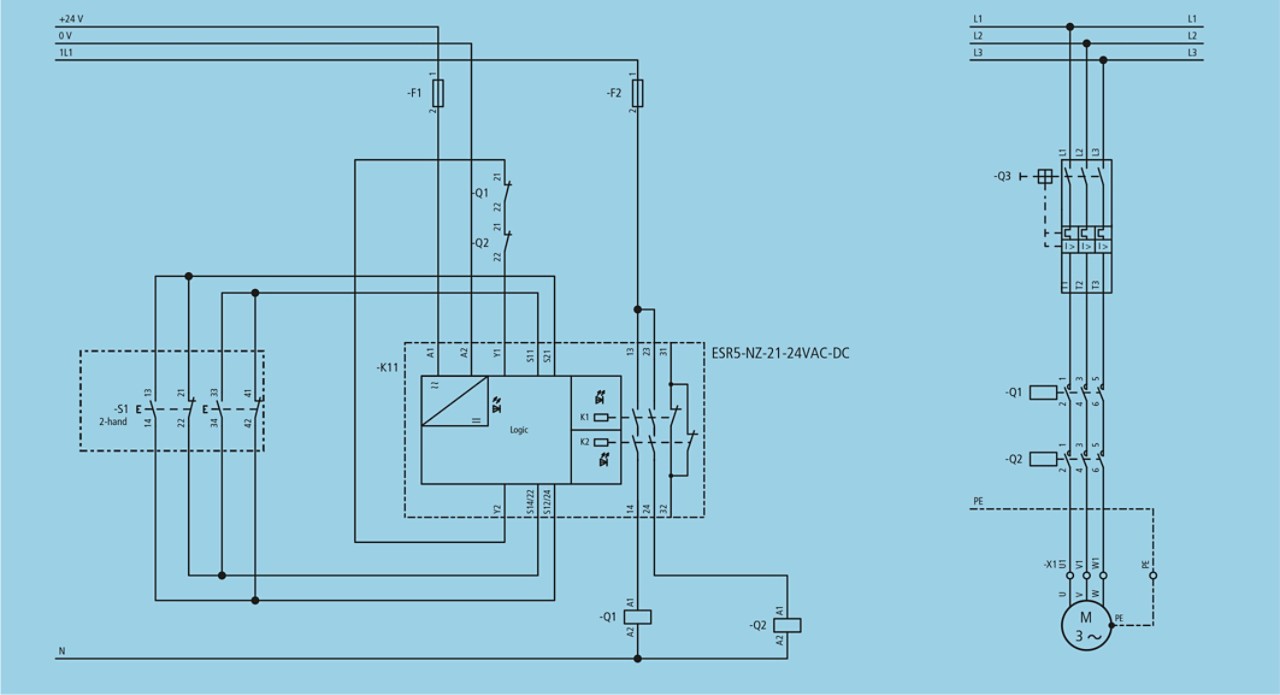
A circuit diagram for a type III C two-hand control with a safety relay (here Eaton ESR5) could look like this:

Blog_MOEM_Two_Hand_Control_control_Circuit_diagram_ESR5.jpg
The characteristic safety values of the safety relay (in this example ESR5) are usually provided by the manufacturer.
ESR5-press.jpg
Blog_MOEM_Two_Hand_Control_Safety-Catogory_en.jpg

Functionality

As soon as the supply voltage is applied to the safety relay (K11) via end connections A1 and A2, the "Power" LED lights up and the relay is ready to activate the enabling paths (13/14, 23/24). If the machine operator presses the two-hand button (S1), the relay first ensures that the redundant safety or power contactors Q1 and Q2 are in rest position via the NC contacts of the feedback circuit. In this case, the LEDs K1 and K2 of the safety relay light up to indicate that the two-hand button has been triggered. The relay then opens the non-safety-related signaling path (31/32), and contactors Q1 and Q2 are controlled via the two closing enabling paths.

Blog_MOEM_Two_Hand_control_condition_EN_IEC_en.jpg
Alternatively, a two-hand control can also be set up with a device, such as easySafety, which combines both safety and control functions in one device. The Eaton safety handbook covers additional details on this and even has helpful circuit and calculation examples on the subject of machine and system safety.

Learn more about functional safety for machinery

The safety manual uses example circuits to show how functional safety can be implemented with electrical, electronic and programmable components and systems in safety applications. It shows how different safety levels (SIL or PL) can be achieved. International import standards EN ISO 13849-1 and IEC 62061 for the safety of machines and systems are explained with practical examples.

Related posts